Hộp chuyển thông thường
Hộp chuyển vật liệu là thiết bị hiệu quả nhất để ngăn ngừa ô nhiễm. Đặc điểm của nó là khóa đôi cửa, giúp giảm đáng kể số lần nhân viên mang vật phẩm vào phòng sạch, ngăn chặn không khí bên ngoài làm ô nhiễm phòng sạch. Bộ thiết bị kinh tế và thiết thực, là thiết bị trung chuyển tốt nhất cho phòng sạch. Thiết bị này được sử dụng rộng rãi trong công nghệ vi mô, phòng thí nghiệm sinh học, nhà máy dược phẩm, bệnh viện, chế biến thực phẩm, LCD, nhà máy điện tử và tất cả các nơi cần làm sạch không khí.
Thiết bị này được sử dụng rộng rãi trong công nghệ vi mô, phòng thí nghiệm sinh học, nhà máy dược phẩm, bệnh viện, chế biến thực phẩm, LCD, nhà máy điện tử và tất cả các nơi cần làm sạch không khí.
Hộp chuyển vật liệu là thiết bị hiệu quả nhất để ngăn ngừa ô nhiễm. Đặc điểm của nó là khóa đôi cửa, giúp giảm đáng kể số lần nhân viên mang vật phẩm vào phòng sạch, ngăn chặn không khí bên ngoài làm ô nhiễm phòng sạch. Bộ thiết bị kinh tế và thiết thực, là thiết bị trung chuyển tốt nhất cho phòng sạch. Thiết bị này được sử dụng rộng rãi trong công nghệ vi mô, phòng thí nghiệm sinh học, nhà máy dược phẩm, bệnh viện, chế biến thực phẩm, LCD, nhà máy điện tử và tất cả các nơi cần làm sạch không khí.
Thiết bị này được sử dụng rộng rãi trong công nghệ vi mô, phòng thí nghiệm sinh học, nhà máy dược phẩm, bệnh viện, chế biến thực phẩm, LCD, nhà máy điện tử và tất cả các nơi cần làm sạch không khí.

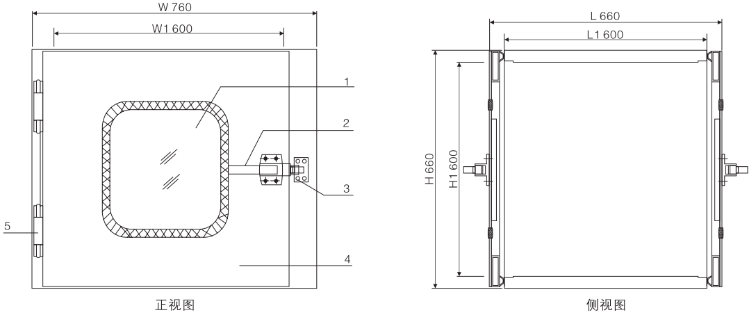
Chú thích:
1. Mica 2. Tay nắm 3. Khóa cơ 4. Cửa 5. Bản lề

Phụ kiện tùy chọn:
1. Thiết bị liên lạc 2. Vật liệu thép không gỉ 3. Thêm đèn tia cực tím 4. Trống lăn

|
Mã sản phẩm |
khóa cơ học |
khóa điện tử |
|
Kích thước bên ngoài (mm) |
W760xD660xH660 |
W800xD690xH740 |
|
Kích thước bên trong (mm) |
W600xD600xH600 |
W600xD600xH600 |
|
Điện áp nguồn |
/ |
220V,50Hz |
|
Vật liệu vỏ thùng |
Thép cán nguội |
|
|
Vật liệu lớp trong |
thép không gỉ |
|
|
Bề mặt bên ngoài |
màu trắng |
|
|
Bề mặt vỏ hộp |
phun nhựa |
|
|
Lưu ý: Có thể chọn các phương án thiết kế đặc biệt trên theo nhu cầu riêng của khách hàng |
||