Bộ giảm áp lưu lượng nhỏ một cấp dòng R11

Bộ giảm áp lưu lượng nhỏ một cấp dòng R11

Cấu trúc giảm áp màng đơn cấp, truyền áp suất bằng màng thép không gỉ, áp suất đầu ra ổn định, thích hợp cho khí tinh khiết, khí tiêu chuẩn, khí ăn mòn, v.v.

Đặc điểm cấu trúc

  • Cấu trúc giảm áp một cấp
  • Thân chính và màng ngăn sử dụng dạng kín cứng
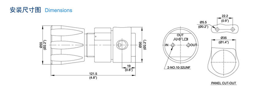
  • Ren thân chính: 1/4"NPT(F)
  • Cấu trúc bên trong dễ làm sạch
  • Trang bị lưới lọc hai lớp bên trong
  • Có thể lắp đặt dạng bảng điều khiển hoặc trên tường

Cấu trúc vật liệu

  • Thân chính (Body): SS316L, mạ niken đồng
  • Nắp trên (Bonnet): SS304, mạ niken đồng
  • Gioăng (Valve seat): PTFE, PCTFE, PEEK
  • Màng ngăn (Diaphragm): SS316L

Thông số kỹ thuật

  • Áp suất đầu vào tối đa Inlet pressure max: 3000psig
  • Áp suất đầu ra Outlet pressure: 0~25psig, 0~50psig, 0~10Opsig, 0~250psig, 0~500psig
  • Áp suất kiểm tra an toàn Proof pressure: 1.5 lần áp suất đầu vào tối đa
  • Nhiệt độ hoạt động Operating temperature: -40F ~ 1650F (-40°C ~ 74°C)
  • Tỷ lệ rò rỉ Leak rate: 2x10-8 atm cc/sec He
  • CV: 0.08, 0.15
  • Trọng lượng Weight: 0.9kg

Đường dây nóng: 0388767860

Hướng dẫn đặt hàng

EX:R11    L        A   一     D             F              G            00      一       00           P


Số-ri

Chất liệu mẹ

Lỗ trên khuôn mẹ

Áp lực đầu vào

Áp suất đầu ra

Áp kế

nh thức nạp khí

nh thức xả giận

y chọn

R11

L:SS316L

A

D:3000psisg

F:0-500psig

G. Gắn đồng hồ đo áp suất

00:14'NPT  (F)

00:14 NPT(F)

P: Lắp đặt dạng bảng

 

B: Đồng mạ niken

B

×:2200pag

G:0-250psig

(MPa)

01:14°NPT  (M)

01:14°NPT  (M)

R: Van an toàn

 

 

c

E:1500psg

上:0-100psi

P. kèm theo đồng hồ đo áp suất

23:CGA330

10:18 khớp nối khớp chèn

N: van kim

 

 

D

F:500psig

K:0-50pslg

(psibar)

24:CGA350

11:14 khớp nối khớp chèn

D: Dây màng

 

 

G

 

L:0-25psig

W. Không áp suất

27:CGA580

12:38° khớp nối khớp chèn

 

 

 

H

 

M:0-15psig

 

28:CGA660

15:6mm khớp nối khớp chèn

 

 

 

J

 

Q:30°Hg Vac-30psig

 

30:CGA590

16:8mm khớp nối khớp chèn

 

 

 

M

 

S:30"Hg Vac-60psig

 

52:G58°-RH(F)

17:10mm khớp nối khớp chèn

 

 

 

 

 

:30°Hg Vac-100psig

 

63:W218-14RH(F)

18:12mm khớp nối khớp chèn

 

 

 

 

 

U:30°Hg Vac-200psig

 

64:W21.8-14LH(F)

74:M8×1mm khớp nối

 

 

 

 

 

 

 

 

c loại đầu nối khác cũng có thể

c loại đầu nối khác cũng có thể

 

Dải gom khí đặc MR1200 series bán tự động

  EX:MR1200   L    一      D      一     G     一    G   一        00        一       00     一   2L   一    2R    一   A   Số sê-ri Chất liệu mẹ Áp lực đầu vào Áp suất đầu ra Đồng hồ đo áp suất Hình thức nạp khí Hình thức xả giận Số bình gas bên trái Số bình gas bên phải   Tùy chọn MR1200 L:SS316L D:3000psig H:0-125psig G: kèm theo đồng hồ đo áp suất 00:14”NPT(F) 02:318°NPT(F) chỉ định chỉ định A: Báo động từ xa   B: Đồng mạ niken X:2200psig :0-100psig    (MPa) 01:14”NPT(M) 12:3/8Đầu nối kẹp     Ống mềm cao áp     F:500psig K:0-50psig P:kèm theo đồng hồ đo áp suất 23:CGA330 13:12°Đầu nối kẹp     Ống dẫn kim loại       L:0-25psig (psibar) 24:CGA350 Các loại đầu nối khác có sẵn để lựa chọn     FA: Bộ ngăn ngừa hồi nhiệt        M:0-15psig   27:CGA580                   28:CGAB60                   30:CGA590                   52:G518“RH(F)                   63:W21.8-14RH(F)                   64:W21.8-14LH(F)                   Các loại đầu nối khác có sẵn để lựa chọn          

Đầu cuối điều khiển khí đặc loại PT11

Đặc điểm sản phẩm Đặc điểm cấu trúc Sử dụng bộ giảm áp R11 đơn cấp cho khí đặc biệt Đã kiểm tra áp suất và kiểm tra rò rỉ bằng khí heli Đồng hồ áp suất 2” bằng thép không gỉ, dễ đọc Lắp đặt kiểu treo tường Cấu trúc vật liệu Thân bộ giảm áp: SS316L mạ đồng niken Gioăng bộ giảm áp: PTFE PCTFE, PEEK Thân van chặn: SS316 Ống dẫn: 1/4” ống liền SS316 Thông số kỹ thuật Áp suất đầu vào tối đa Inlet pressure max: 500psig Áp suất đầu ra Outlet pressure: 0-25psig, 0-50psig, 0-100psig, 0-250psig Áp suất thử an toàn Proof pressure: 1,5 lần áp suất đầu vào tối đa Nhiệt độ hoạt động Operating temperature: -40ºF ~ 165ºF (-40ºC ~ 74ºC) Tỉ lệ rò rỉ của bộ giảm áp Leak rate: 2x10^-8 atm cc/sec He CV:0.15 

Van bi series BV10 (SS-BV10-TF4)

Đặc điểm cấu trúc 1. Van bi hai ngã, thực hiện thao tác “mở·đóng” 2. Cấu trúc bằng thép không gỉ 3. Áp suất tối đa làm việc 6000 psi (413 bar) 4. Nhiệt độ tối đa làm việc 500°F (260°C) 5. Nhiều loại kết nối đầu, kích thước từ 1/16 inch đến 3/4 inch (3 mm đến 18 mm) 6. Vận hành bằng tay cầm nylon

Van kim series NV10 (SS-NV110-TF4)

Đặc điểm cấu trúc 1. Áp suất sử dụng tối đa lên đến 5000 psi (345 bar) 2. Dạng trục van có V, R, K 3. Kiểu kết nối van: ren NPT, đầu nối kiểu AMLOK 4. Kích thước đầu nối kiểu khóa: 3mm, 6mm, 8mm, 10mm, 12mm 1/8”, 1/4”, 3/8”, 1/2”, 3/4” 5. Kiểu van tiêu chuẩn là kiểu thẳng, cũng có thể chọn kiểu góc vuông 6. Kiểu van tiêu chuẩn là điều chỉnh bằng tay quay, cũng có thể chọn điều chỉnh bằng tay cầm 7. Có thể lắp đặt trên bảng điều khiển 8. Điều kiện kiểm tra xuất xưởng: khí nén 1000 psi (nếu áp suất sử dụng vượt 1000 psi cần điều chỉnh đai ốc khóa để tránh rò rỉ)